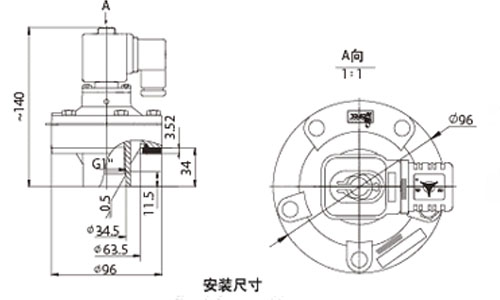
產品名稱 | DMF-Y-25型淹沒式電磁脈沖閥 | ||||
| 工作壓力 | 0.1~0.8Mpa(推薦0.2~0.6Mpa) | ||||
| 工作介質 | 清潔空氣 | ||||
| 電壓 | DC24V | AC110V | AC220V | ||
| 電流 | 0.8A | 0.46A | 0.23A | ||
溫度等級 | 1 | - | 3 | ||
| -25℃~~80℃ | - | -25℃~~230℃ | |||
| -13°F~~176°F | - | -13°F~~446°F | |||
空氣相對濕度 | ≤85% | ||||
| 防護等級 | IP65 | ||||
| 膜片壽命 | 噴吹100萬次或三年 | ||||
|
![]() |
![]() |
|


冀 公網安備 13098102000341號